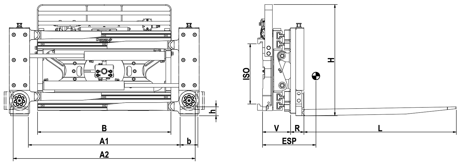
Drehbare Drehgabelklammer 360° DDGK
Die Drehbare Drehgabelklammer Typ DDGK ist mit manuell drehbaren Gabeln ausgestattet. Durch die um 90° drehbaren Gabelflächen können auch eng stehende Güter geklammert werden. Ebenso können palettierte Güter in der Horizontalstellung der Gabeln einfach verladen werden. Klammern mit horizontal gestellten Gabeln ist nicht erlaubt. Die gesamte Klammer ist zusätzlich noch 360° endlos drehbar.

Produkte Klammergeräte
- Klammergabel PGK ISO II/III
- Klammergabel PGK ISO IV
- drehbare Klammergabel DUZ ISO II/III
- Drehbare Klammergabel 360° DUZ ISO II/III
- Drehbare Klammergabel 360° DUZ ISO IV
- Drehbare Klammergabel 360° DUZ-S ISO II/III
- Drehbare Klammergabel 360° DUZ-S ISO IV
- Baustoffklammer UVP-S
- Hafenklammer PHK/PHK-S
- Drehbare Drehgabelklammer 360° DDGK
- Drehgabelklammer DGK-S
- Palettenwendeklammer 360° PWK
- Schaumstoffklammer USK
- Gitterboxenentleergerät 360° DGE
- Schneidballenklammer SPBK
- Klammergerät PGK-S ISO II/III
- Klammergabel PGK-S ISO IV
Produktanfrage
Previous
Next

