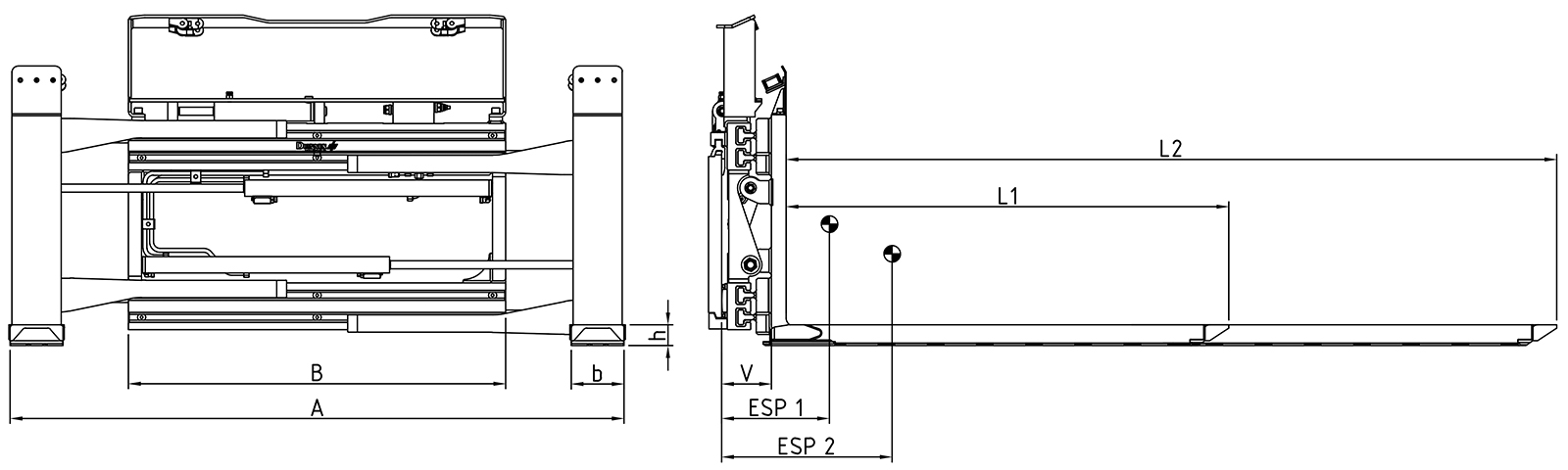
Zinkenverstellgerät ZVP-S-TGZ ISO II
Das Durwen Zinkenverstellgerät Typ ZVP-S-TGZ auf Klammerkörperbasis kann bei Baubreiten, die der Staplerbreite entsprechen sollten, den Gabelabstand hydraulisch über die Staplerbreite hinaus verstellen. Dieses Gerät eignet sich für Anwendungen, bei denen unterschiedlichste Verstellbereiche gefordert werden, von der Europalette bis zur Aufnahme von Langgutmaterialien. Das Gerät ist nicht zum Klammern geeignet. Die ZVP-S-TGZ Baureihe ist serienmäßig mit angeschraubten Teleskopgabelzinken und mit separatem Seitenschub, d.h. Seitenschub bei jeder Gabeleinstellung, ausgestattet. Serienmäßig haben die Teleskopgabelzinken 2 mm Verschleißzone. Ebenso ist im Lieferumfang ein Schutzbügel inkl. Schlauchführung enthalten.

Produkte Zinkenverstellgeräte
- Zinkenverstellgerät PZV-SI ISO II/III
- Zinkenverstellgerät PZV-SI ISO IV
- Zinkenverstellgerät PZV-GSI ISO II
- Zinkenverstellgerät PZV-GSI ISO III
- Zinkenverstellgerät PZV-GSI ISO IV
- Zinkenverstellgerät LZV-S
- Zinkenverstellgerät RZV-IG Grossstapler
- Zinkenverstellgerät ZVP-I Grossstapler
- Zinkenverstellgerät ZVP-S-TGZ ISO II
- Zinkenverstellgerät ZVP-S-TGZ ISO III
- Zinkenverstellgerät ZVP-S-TGZ ISO IV
- Zinkenverstellgerät ZVP-TGZ Schubmaststapler
- Zinkenverstellgerät ZVP-S ISO II
- Zinkenverstellgerät ZVW ISO II
- Zinkenverstellgerät RZV-S ISO II
- Zinkenverstellgerät ZVP-S ISO III
- Zinkenverstellgerät ZVW ISO III
- Zinkenverstellgerät RZV-S ISO III
- Zinkenverstellgerät ZVP-S ISO IV
- Zinkenverstellgerät ZVW ISO IV
- Zinkenverstellgerät RZV-S ISO IV
- Zinkenverstellgerät ZVP
- Zinkenverstellgerät ZVW-S ISO II
- Zinkenverstellgerät RZV ISO II
- Zinkenverstellgerät ZVP-AS
- Zinkenverstellgerät ZVW-S ISO III
- Zinkenverstellgerät RZV ISO III
- Zinkenverstellgerät für Schubmaststapler ZVP
- Zinkenverstellgerät ZVW-S ISO IV
- Zinkenverstellgerät RZV ISO IV
- Zinkenverstellgerät für Schubmaststapler ZVP-H
- Zinkenverstellgerät ZVW-G ISO II
- Zinkenverstellgerät RZV-GS ISO II
- Zinkenverstellgerät ZVW-G ISO III
- Zinkenverstellgerät RZV-GS ISO III
- Zinkenverstellgerät ZVW-G ISO IV
- Zinkenverstellgerät RZV-GS ISO IV
- Zinkenverstellgerät ZVW-GS ISO II
- Zinkenverstellgerät RZV-G ISO II
- Zinkenverstellgerät ZVW-GS ISO III
- Zinkenverstellgerät RZV-G ISO III
- Zinkenverstellgerät ZVW-GS ISO IV
- Zinkenverstellgerät RZV-G ISO IV
- Drehbares Zinkenverstellgerät DZVW-G
- Zinkenverstellgerät RZV für Schubmaststapler
- Drehbares Zinkenverstellgerät DZVW-GS
- Zinkenverstellgerät RZV-G für Schubmaststapler
- Zinkenverstellgerät ZVW-I ISO II
- Zinkenverstellgerät RZV-G-H für Schubmaststapler
- Zinkenverstellgerät ZVW-I ISO III
- Zinkenverstellgerät RZV-I ISO II/III
- Zinkenverstellgerät RZV-I ISO IV
- Zinkenverstellgerät ZVW-I ISO IV
- Zinkenverstellgerät ZVW-IG ISO II
- Zinkenverstellgerät RZV-IG ISO II
- Zinkenverstellgerät ZVW-IG ISO III
- Zinkenverstellgerät RZV-IG ISO III
- Zinkenverstellgerät ZVW-IG ISO IV
- Zinkenverstellgerät RZV-IG ISO IV
Produktanfrage
Previous
Next

