Skip to content

Kranarm – teleskopierbar KFTG

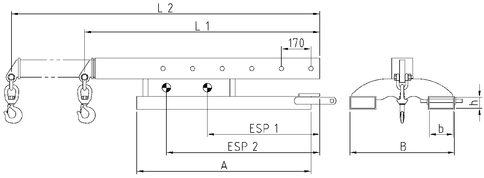
Der teleskopierbare Kranarm bietet außer den Standard-Anwendungs fällen des KFG weitere Vorteile. Aufgrund der Teleskopvorrichtung ist es möglich, auch bei beengten Platz verhältnissen, den Lasthaken zentrisch über die aufzunehmende Last zu führen. Er besitzt acht Hakenpositionen

Produktanfrage

Previous
Next