Skip to content

Tragdorne TD

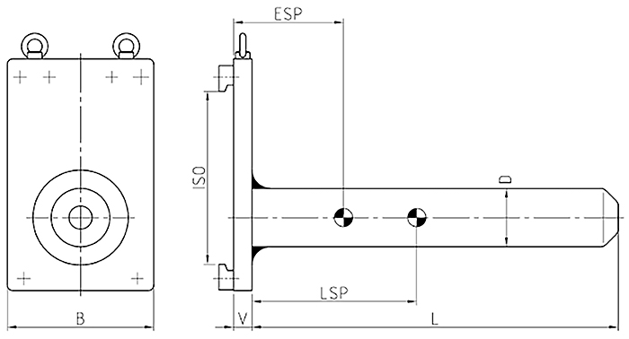
Tragdorne werden beim Transport von Rollen oder Coils eingesetzt.

Produktanfrage

Previous
Next