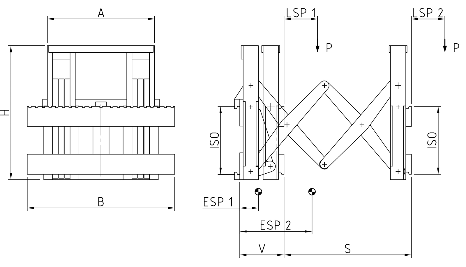
Vorschubgabelträger VGT/VGT-S
Der Vorschubgabelträger Typ VGT ermöglicht einen hohen Güter umschlag durch die Beladung von einer LKWSeite. Die stabile Konstruktion erlaubt ein sicheres Aus- und Einfahren mit aufgenommener Last. An dem vorderen Gabelträger des Anbaugerätes können die Original-Standardgabelzinken nach ISO 2328 verwendet werden.

Produkte Teleskop- und Vorschubgeräte
- hydraulische Telekobgabelzinken TGZ ISO II
- hydraulische Telekobgabelzinken TGZ ISO III
- hydraulische Telekobgabelzinken TGZ ISO IV
- Zinkenverstellgerät RZV-S-TGZ ISO II
- Zinkenverstellgerät RZV-S-TGZ ISO III
- Zinkenverstellgerät RZV-S-TGZ ISO IV
- Zinkenverstellgerät für Schubmaststapler RZV-TGZ
- Zinkenverstellgerät ZVW-S-TGZ ISO II
- Zinkenverstellgerät ZVW-S-TGZ ISO III
- Zinkenverstellgerät ZVW-S-TGZ ISO IV
- Vorschubgabelträger VGT/VGT-S
Produktanfrage
Previous
Next

